Oscillator is made up of amplifier and a feedback network. When the amplifier used is an opamp then the input signal can be connected to the inverting and non-inverting terminal of the operational amplifier. If the input signal is connected to the inverting terminal then a 180 phase shift must be produced by the feedback network so that the input signal and the feed backed signal are in phase.
The application of oscillator in communication system and condition for oscillation was introduced and derived in earlier post. This post is about how the RC phase shift oscillator works.
Consider the RC circuit drawn in Matlab 2014 simulink/ Simscape as shown below
In this circuit by using appropriate values for the capacitor and resistor we can produce desired phase shift between the input signal Vin and the output voltage signal Vout. The phase shift difference is given by the formula-
\[\phi=\tan^{-1}(\frac{X_c}{R})\]
where, Xc is the capacitive reactance of the capacitor and R is the resistance of the resistor
and, \[X_c=\frac{1}{2\pi fC}\]
where C is the capacitance of the capacitor
If we were to produce a 60 degree phase shift between Vin and Vout(the voltage across resistor) then we have tan60=1.732 and using R=1 ohm, we get Xc=1.732. This gives C value of 0.02758F when frequency of the input signal is taken as 10Hz.
Using these values the circuit above can be stimulated in Simscape to verify the phase shift graphically. For the simulation to work few parts have to be added to the above circuit.
The scope shows the waveform of the input signal(upper waveform) and the output signal(lower)-
To view the signal together in the same window we can use the mux.
This shows that there is a phase shift of 60 degree between the input and output signal.
If such RC circuit is used 3 times connected in a ladder fashion as shown below we get a total phase shift of 180.
The waveform of the input and output signal of this RC ladder circuit is shown below-
This graph shows 180 degree phase shift between the input signal(Vin) and the output signal (Vout) of the first circuit above. Also there is decrease in magnitude of the output signal.
Hence when this 3 section RC circuit is used in the feedback network as it produces the required 180 phase shift. Below the structure of the oscillator with feedback network.
The content of the feedback network block is the RC network-
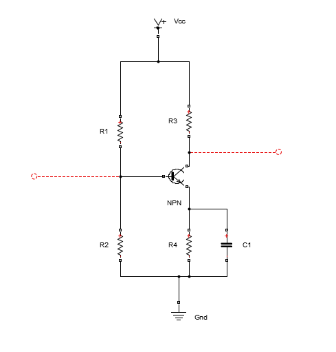
The operational amplifier in the above circuit can be replaced by amplifier designed with transistor biased in the linear region of operation.
The application of oscillator in communication system and condition for oscillation was introduced and derived in earlier post. This post is about how the RC phase shift oscillator works.
Consider the RC circuit drawn in Matlab 2014 simulink/ Simscape as shown below
In this circuit by using appropriate values for the capacitor and resistor we can produce desired phase shift between the input signal Vin and the output voltage signal Vout. The phase shift difference is given by the formula-
\[\phi=\tan^{-1}(\frac{X_c}{R})\]
where, Xc is the capacitive reactance of the capacitor and R is the resistance of the resistor
and, \[X_c=\frac{1}{2\pi fC}\]
where C is the capacitance of the capacitor
If we were to produce a 60 degree phase shift between Vin and Vout(the voltage across resistor) then we have tan60=1.732 and using R=1 ohm, we get Xc=1.732. This gives C value of 0.02758F when frequency of the input signal is taken as 10Hz.
Using these values the circuit above can be stimulated in Simscape to verify the phase shift graphically. For the simulation to work few parts have to be added to the above circuit.
The scope shows the waveform of the input signal(upper waveform) and the output signal(lower)-
To view the signal together in the same window we can use the mux.
This shows that there is a phase shift of 60 degree between the input and output signal.
If such RC circuit is used 3 times connected in a ladder fashion as shown below we get a total phase shift of 180.
The waveform of the input and output signal of this RC ladder circuit is shown below-
This graph shows 180 degree phase shift between the input signal(Vin) and the output signal (Vout) of the first circuit above. Also there is decrease in magnitude of the output signal.
Hence when this 3 section RC circuit is used in the feedback network as it produces the required 180 phase shift. Below the structure of the oscillator with feedback network.
The content of the feedback network block is the RC network-
The operational amplifier in the above circuit can be replaced by amplifier designed with transistor biased in the linear region of operation.
An oscillator with transistor amplifier and RC feedback network would look something like this-
See also matlab 2014 download and matlab tutorials on this blog.









No comments:
Post a Comment